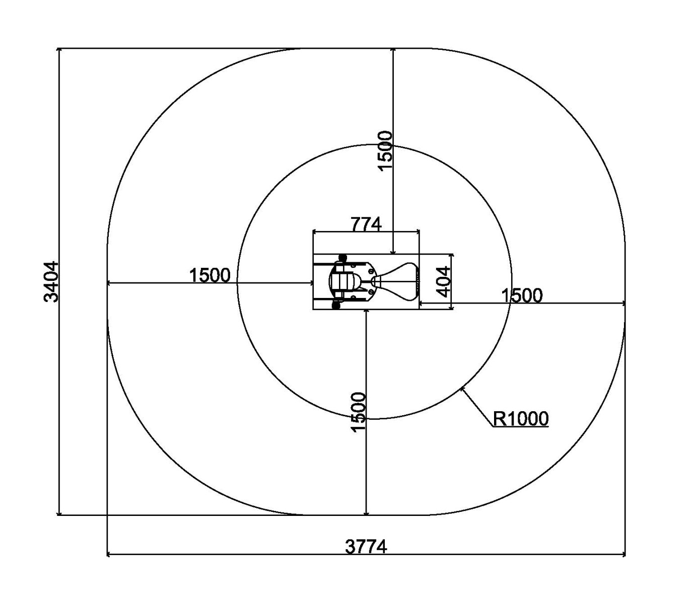
SHOULDER WHEEL - Fitness structure for arm and shoulder training / FTR-24 / Hot-dip galvanized and powder coated or powder galvanized and powder coated steel construction of 90 x 90 mm or 120 diameter profile