FTR-38F
RECUMBENT STATIONARY BIKE
Attrezzatura fitness per l'allenamento della parte bassa del corpo e del fiato


DESCRIZIONE
RECUMBENT STATIONARY BIKE - Attrezzatura fitness per l'allenamento della parte bassa del corpo e del fiato / FTR-38F / Prodotto da azienda certificata ISO 9001, ISO 14001, PEFC e FSC. Realizzato in acciaio zincato e verniciato. Tutta la bulloneria in acciaio inox.
CARATTERISTICHE TECNICHE
| Area d’impatto (mq): | 0 |
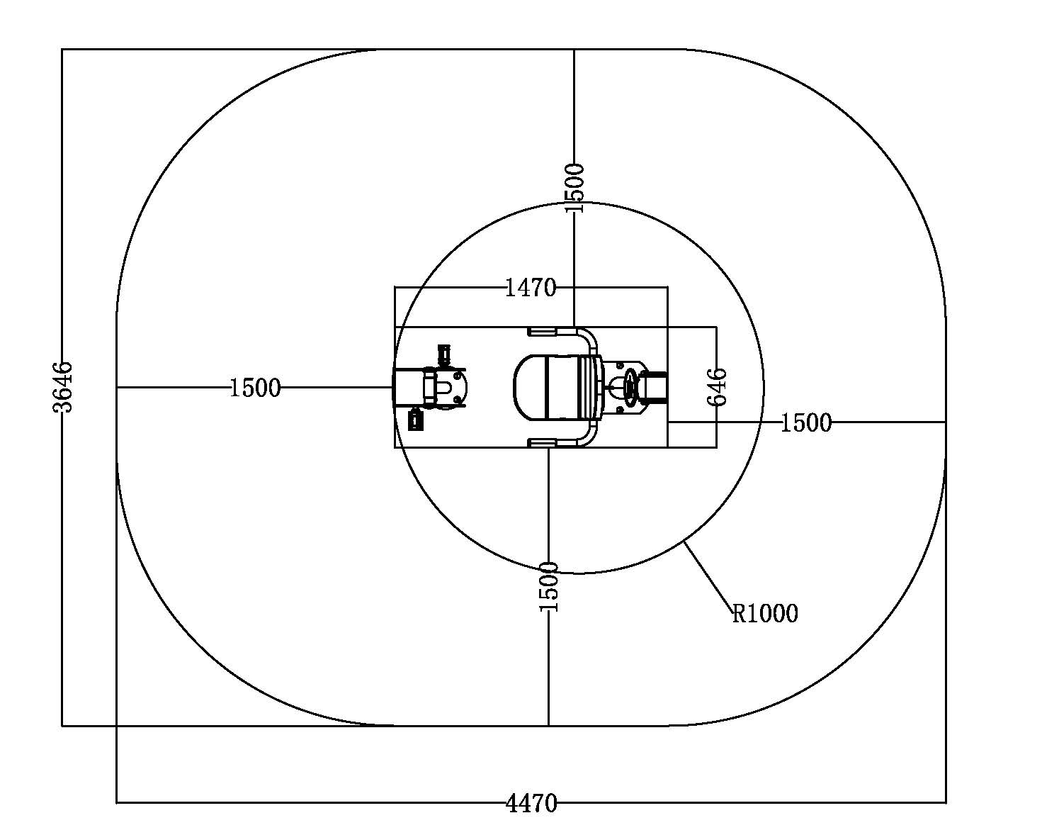
| Dimensioni (cm): | 147 x 64 x 40 |
| Area di sicurezza (cm): | 447 x 364 |
| Altezza di caduta (cm): | 0 |
MATERIALI DI COSTRUZIONE

CARATTERISTICHE DI GIOCO










